Dessins techniques de la crème Vom Bella Retro
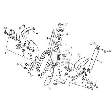
Cliquez ici sur les dessins techniques ou en vue éclatée du scooter crème Vom Bella Retro pour lequel vous recherchez des pièces ou des accessoires. Les dessins techniques de la crème Vom Bella Retro vous donnent un aperçu clair des différentes pièces et accessoires correspondants. En recherchant vos pièces, vous aurez toujours des pièces adaptées à votre crème Vom Bella Retro.


