Dessins techniques pour Vom Bella Retro white
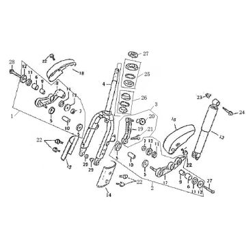
Cliquez ici sur les dessins techniques ou en vue éclatée du scooter blanc Vom Bella Retro pour lequel vous recherchez des pièces ou des accessoires. Les dessins techniques du Vom Bella Retro white vous donnent un aperçu clair des différentes pièces de fixation et accessoires. En recherchant vos pièces, vous aurez toujours des pièces adaptées pour votre Vom Bella Retro white.


