Dessins techniques pour Vom Bella Retro bleu crème métallisé
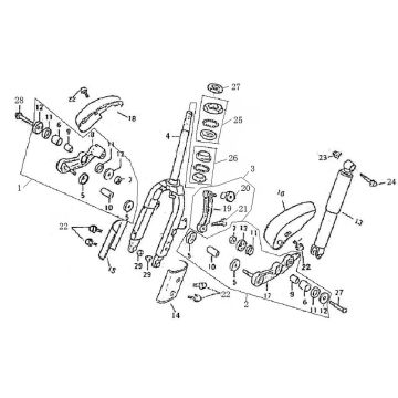
Cliquez ici sur les dessins techniques ou en vue éclatée du scooter Vom Bella Retro bleu crème métallisé pour lequel vous recherchez des pièces ou des accessoires. Les dessins techniques du Vom Bella Retro bleu crème métallisé vous donnent un aperçu clair des différentes pièces et accessoires correspondants. En recherchant vos pièces, vous aurez toujours des pièces adaptées pour votre Vom Bella Retro bleu crème métallisé.


