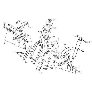
Dessins techniques de Vom Bella Retro anthracite
Cliquez ici sur les dessins techniques ou en vue éclatée du scooter anthracite Vom Bella Retro pour lequel vous recherchez des pièces ou des accessoires. Les dessins techniques du Vom Bella Retro anthracite vous donnent un aperçu clair des différentes pièces de fixation et accessoires. En recherchant vos pièces, vous aurez toujours des pièces adaptées pour votre Vom Bella Retro anthracite.


