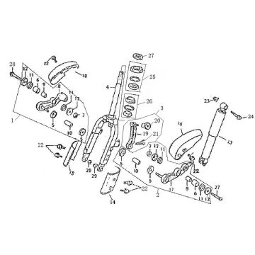
Dessins techniques de la crème à café Vom Bella Retro
Cliquez ici sur les dessins techniques ou en vue éclatée du scooter à café Vom Bella Retro pour lequel vous recherchez des pièces ou des accessoires. Les dessins techniques de la crème à café Vom Bella Retro vous donnent un aperçu clair des différentes pièces et accessoires correspondants. En recherchant vos pièces, vous aurez toujours des pièces adaptées à votre crème à café Vom Bella Retro.


