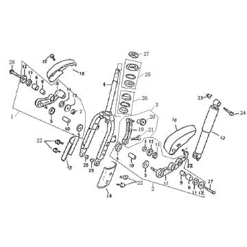
Dessins techniques AGM Retro après 2013 smokey
Cliquez ici sur les dessins techniques ou en vue éclatée du scooter smokey AGM Retro après 2013 pour lequel vous recherchez des pièces ou des accessoires. Les dessins techniques de l'AGM Retro-50 vous donnent un aperçu clair des différentes pièces de montage et accessoires. En recherchant vos pièces, vous aurez toujours les bonnes pièces pour votre AGM Retro après 2013 smokey.


