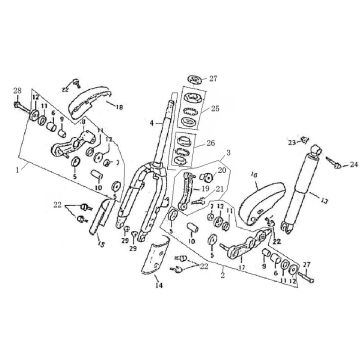
Dessins techniques de Benzhou Retro rouge
Cliquez ici sur les dessins techniques ou en vue éclatée du scooter Benzhou Retro pour lequel vous recherchez des pièces ou des accessoires. Les dessins techniques du Benzhou Retro vous donnent un aperçu clair des différentes pièces de fixation et accessoires. En recherchant vos pièces, vous aurez toujours des pièces adaptées à votre Benzhou Retro.


