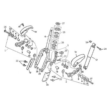
Dessins techniques pour Berini Bella Milano noir
Cliquez ici sur les dessins techniques ou en vue éclatée du scooter noir Berini Bella Milano pour lequel vous recherchez des pièces ou des accessoires. Les dessins techniques du Berini Bella Milano noir vous donnent un aperçu clair des différentes pièces de fixation et accessoires. En recherchant vos pièces, vous aurez toujours des pièces adaptées à votre Berini Bella Milano noir.


