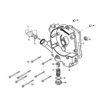
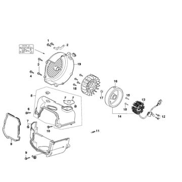
Dessins techniques pour Berini Speedy 4 temps
Cliquez ici sur les dessins techniques ou en vue éclatée du scooter 4 temps Berini Speedy pour lequel vous recherchez des pièces ou des accessoires. Les dessins techniques du Berini Speedy 4 temps vous donnent un aperçu clair des différentes pièces et accessoires correspondants. En recherchant vos pièces, vous aurez toujours des pièces adaptées à votre Berini Speedy 4 temps.


