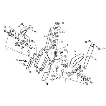
Dessins techniques de BTC Grande Retro GT1 orange
Cliquez ici sur les dessins techniques ou en vue éclatée de la BTC Grande Retro GT1 orange pour laquelle vous recherchez des pièces ou des accessoires. Les dessins techniques du BTC Grande Retro GT1 orange vous donnent un aperçu clair des différentes pièces de fixation et accessoires. En recherchant vos pièces, vous aurez toujours des pièces adaptées pour votre BTC Grande Retro GT1 orange.


