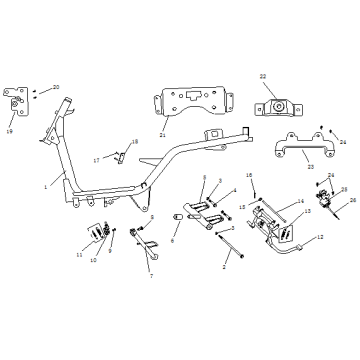
Dessins techniques pour China Ape50 noir
Cliquez ici sur les dessins techniques ou en vue éclatée du scooter noir China Ape50 pour lequel vous recherchez des pièces ou des accessoires. Les dessins techniques du China Ape50 black vous donnent un aperçu clair des différentes pièces de fixation et accessoires. En recherchant vos pièces, vous aurez toujours des pièces adaptées à votre China Ape50 black.


