Dessins techniques pour China Filly (pièces répliques)
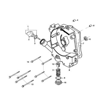
Cliquez ici sur les dessins techniques ou en vue éclatée du scooter China Filly (pièces répliques) pour lequel vous recherchez des pièces ou des accessoires. Les dessins techniques de la China Filly (pièces répliques) vous donnent un aperçu clair des différentes pièces de montage et accessoires. En recherchant vos pièces, vous aurez toujours les pièces appropriées pour votre China Filly (répliques de pièces).


