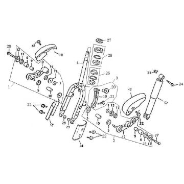
Dessins techniques pour China Grande Retro blanc noir
Cliquez ici sur les dessins techniques ou en vue éclatée du scooter blanc noir China Grande Retro pour lequel vous recherchez des pièces ou des accessoires. Les dessins techniques du China Grande Retro blanc noir vous donnent un aperçu clair des différentes pièces de fixation et accessoires. En recherchant vos pièces, vous aurez toujours des pièces adaptées pour votre China Grande Retro blanc noir.


