Dessins techniques pour China Joy /Legend anthracite mat
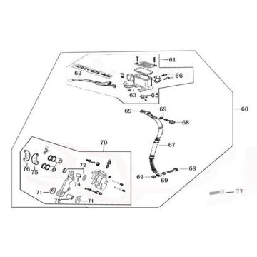
Cliquez ici sur les dessins techniques ou en vue éclatée du scooter anthracite mat China Joy pour lequel vous recherchez des pièces ou des accessoires. Les dessins techniques du China Joy/Legend anthracite mat vous donnent un aperçu clair des différentes pièces de fixation et accessoires. En recherchant vos pièces, vous aurez toujours des pièces adaptées à votre anthracite mat China Joy/Legend.


