Dessins techniques pour China Retro 125cc
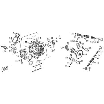
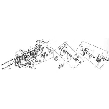
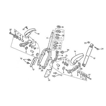
Cliquez ici sur les dessins techniques ou en vue éclatée du scooter 125cc China Retro pour lequel vous recherchez des pièces ou des accessoires. Les dessins techniques du China Retro 125cc vous donnent un aperçu clair des différentes pièces de montage et accessoires. En recherchant vos pièces, vous aurez toujours des pièces adaptées à votre China Retro 125cc.
Pièces Chine Retro 125CC
Le China Retro 125cc, qui n'est disponible qu'en noir, est un scooter avec de nombreuses pièces et accessoires différents. C'est pourquoi il peut être difficile de trouver les bons produits pour cela, mais si vous utilisez nos dessins, vous réduisez au minimum la marge d'erreur. Il est vrai que l'ajustement des pièces et des accessoires des dessins est toujours à 100%.
Le bloc moteur
En raison de son bloc moteur puissant mais aussi économique et silencieux, le comportement de conduite de ce scooter est presque parfait. Ce bloc quatre temps de 125 cm3 offre également beaucoup de confort et convient à la fois à l'Euro 95 et à l'Euro 98. Grâce à son guidon large et large associé à son magnifique look rétro, cette trottinette est un véritable must have.


