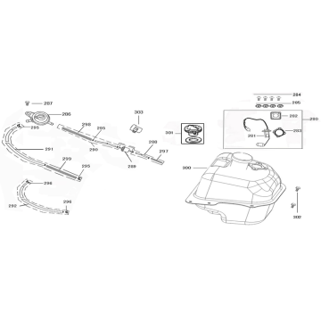
Dessins techniques de China Star50 creme terra
Cliquez ici sur les dessins techniques ou en vue éclatée du scooter China Star50 creme terra pour lequel vous recherchez des pièces ou des accessoires. Les dessins techniques de la crème terra China Star50 vous donnent un aperçu clair des différentes pièces de fixation et accessoires. En recherchant vos pièces, vous aurez toujours des pièces adaptées à votre China Star50 creme terra.


