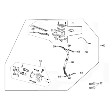
Dessins techniques pour Eagle-Wing Napoli 125cc argent
Cliquez ici sur les dessins techniques ou en vue éclatée du scooter Eagle-Wing Napoli 125cc argent pour lequel vous recherchez des pièces ou des accessoires. Les dessins techniques de l'Eagle-Wing Napoli 125cc silver vous donnent un aperçu clair des différentes pièces et accessoires correspondants. En recherchant vos pièces, vous aurez toujours des pièces adaptées pour votre Eagle-Wing Napoli 125cc silver.


