Dessins techniques Edwards demain Grande Retro GT2 Euro4 crème
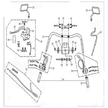
Cliquez ici sur les dessins techniques ou en vue éclatée du scooter crème Edwards tomorrow Grande Retro GT2 Euro4 pour lequel vous recherchez des pièces ou des accessoires. Les dessins techniques de la crème Edwards Tomorrow Grande Retro GT2 Euro4 vous donnent un aperçu clair des différentes pièces et accessoires correspondants. En recherchant vos pièces, vous aurez toujours des pièces adaptées pour votre crème Edwards demain Grande Retro GT2 Euro4.


