Dessins techniques pour Edwards Maple V50-2 anthracite mat
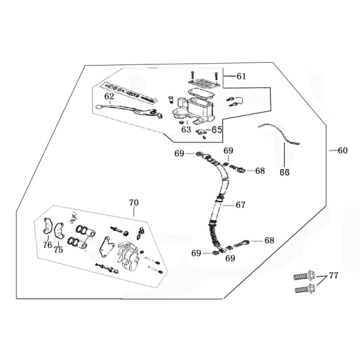
Cliquez ici sur les dessins techniques ou en vue éclatée du scooter Edwards Maple V50-2 anthracite mat pour lequel vous recherchez des pièces ou des accessoires. Les dessins techniques de l'Edwards Maple V50-2 anthracite mat vous donnent un aperçu clair des différentes pièces et accessoires correspondants. En recherchant vos pièces, vous aurez toujours des pièces adaptées pour votre Edwards Maple V50-2 anthracite mat.


