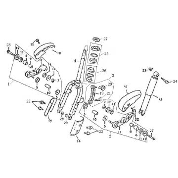
Dessins techniques pour Fosti Grande Retro rouge
Cliquez ici sur les dessins techniques ou en vue éclatée du scooter rouge Fosti Grande Retro pour lequel vous recherchez des pièces ou des accessoires. Les dessins techniques du Fosti Grande Retro red vous donnent un aperçu clair des différentes pièces de fixation et accessoires. En recherchant vos pièces, vous aurez toujours des pièces adaptées pour votre Fosti Grande Retro rouge.


