Dessins techniques de la crème Giantco Venus
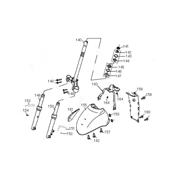
Cliquez ici sur les dessins techniques ou en vue éclatée du scooter crème Giantco Venus pour lequel vous recherchez des pièces ou des accessoires. Les dessins techniques de la crème Venus Giantco vous donnent un aperçu clair des différentes pièces et accessoires correspondants. En recherchant vos pièces, vous aurez toujours des pièces adaptées à votre crème Giantco Venus.


