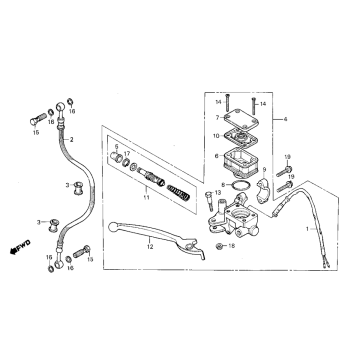
Dessins techniques Honda MB80
Cliquez ici sur les dessins techniques ou la vue éclatée de la Honda MB80 pour laquelle vous recherchez des pièces. Les dessins techniques de la Honda MB80 vous donnent un aperçu clair des différentes pièces adaptées. En recherchant ainsi vos pièces, vous aurez toujours des pièces adaptées à votre Honda MB80.


