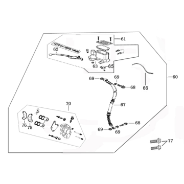
Dessins techniques de Killerbee VXL bleu foncé
Cliquez ici sur les dessins techniques ou en vue éclatée du scooter Killerbee VXL bleu foncé pour lequel vous recherchez des pièces ou des accessoires. Les dessins techniques du Killerbee VXL bleu foncé vous donnent un aperçu clair des différentes pièces et accessoires correspondants. En recherchant vos pièces, vous aurez toujours des pièces adaptées pour votre Killerbee VXL bleu foncé.


