Dessins techniques pour Kymco Agility 12' 4 temps rouge
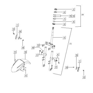
Cliquez ici sur les dessins techniques ou en vue éclatée du Kymco Agility 12' 4 temps rouge pour lequel vous recherchez des pièces ou des accessoires. Les dessins techniques du Kymco Agility 12' 4 temps rouge vous donnent un aperçu clair des différentes pièces et accessoires correspondants. En recherchant vos pièces, vous aurez toujours des pièces adaptées à votre Kymco Agility 12' 4 temps rouge.


