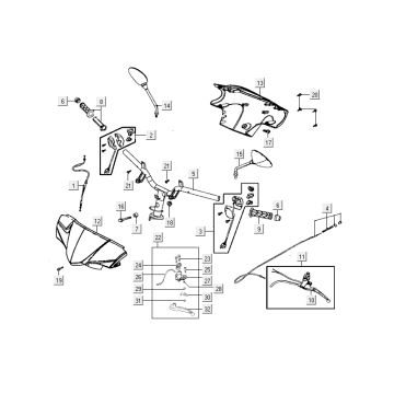
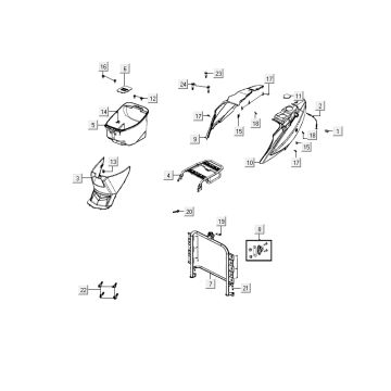
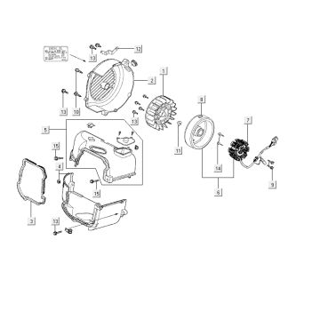
Dessins techniques pour Kymco Agility Delivery 4-temps blanc
Cliquez ici sur les dessins techniques ou en vue éclatée du Kymco Agility Delivery 4 temps blanc pour lequel vous recherchez des pièces ou des accessoires. Les dessins techniques du Kymco Agility Delivery 4 temps blanc vous donnent un aperçu clair des différentes pièces et accessoires correspondants. En recherchant vos pièces, vous aurez toujours des pièces adaptées à votre Kymco Agility Delivery 4-temps blanc.


