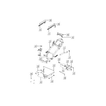
Dessins techniques pour Kymco Agility Fat 12' 4 temps gris foncé
Cliquez ici sur les dessins techniques ou en vue éclatée du Kymco Agility Fat 12' 4 temps gris foncé pour lequel vous recherchez des pièces ou des accessoires. Les dessins techniques du Kymco Agility Fat 12' 4 temps gris foncé vous donnent un aperçu clair des différentes pièces et accessoires correspondants. En recherchant vos pièces, vous aurez toujours des pièces adaptées à votre Kymco Agility Fat 12' 4 temps gris foncé.


