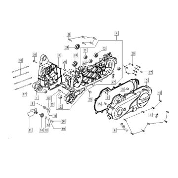
Dessins techniques pour Kymco Agility Fat 12' 4 temps noir
Cliquez ici sur les dessins techniques ou en vue éclatée du Kymco Agility Fat 12' 4 temps noir pour lequel vous recherchez des pièces ou des accessoires. Les dessins techniques du Kymco Agility Fat 12' 4 temps noir vous donnent un aperçu clair des différentes pièces et accessoires correspondants. En recherchant vos pièces, vous aurez toujours des pièces adaptées pour votre Kymco Agility Fat 12' 4 temps noir.


