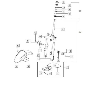
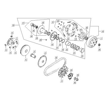
Dessins techniques de Kymco Agility Fat 12' 4 temps orange sportif
Cliquez ici sur les dessins techniques ou en vue éclatée du Kymco Agility Fat 12' 4 temps orange sportif pour lequel vous recherchez des pièces ou des accessoires. Les dessins techniques du Kymco Agility Fat 12' 4 temps orange sportif vous donnent un aperçu clair des différentes pièces de montage et accessoires. En recherchant vos pièces, vous aurez toujours des pièces adaptées à votre Kymco Agility Fat 12' 4 temps orange sportif.


