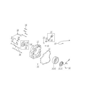
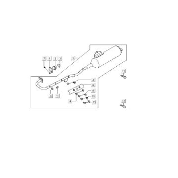
Dessins techniques pour Kymco MXU 150
Cliquez ici sur les dessins techniques ou en vue éclatée du quad Kymco MXU 150 pour lequel vous recherchez des pièces ou des accessoires. Les dessins techniques du Kymco MXU 150 vous donnent un aperçu clair des différentes pièces de fixation et accessoires. En recherchant vos pièces, vous aurez toujours des pièces adaptées pour votre Kymco MXU 150.


