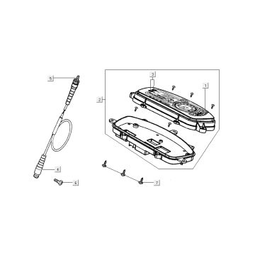
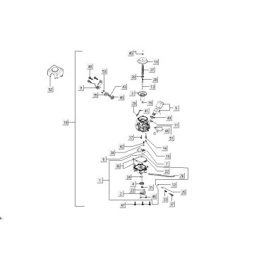
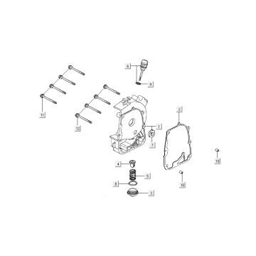
Dessins techniques pour Kymco New Dink 4 temps bleu océan profond
Cliquez ici sur les dessins techniques ou en vue éclatée du Kymco New Dink 4 temps bleu océan profond pour lequel vous recherchez des pièces ou des accessoires. Les dessins techniques du Kymco New Dink 4 temps bleu océan profond vous donnent un aperçu clair des différentes pièces et accessoires correspondants. En recherchant vos pièces, vous aurez toujours des pièces adaptées à votre Kymco New Dink 4 temps bleu océan profond.


