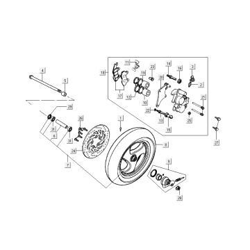
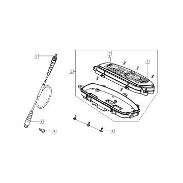
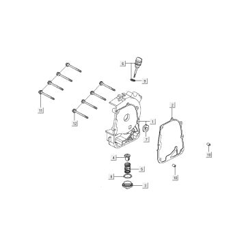
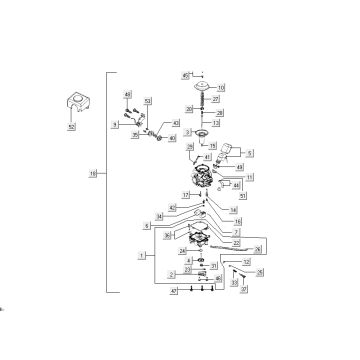
Dessins techniques pour Kymco New Dink 4 temps gris foncé
Cliquez ici sur les dessins techniques ou en vue éclatée du Kymco New Dink 4 temps gris foncé pour lequel vous recherchez des pièces ou des accessoires. Les dessins techniques du Kymco New Dink 4 temps gris foncé vous donnent un aperçu clair des différentes pièces et accessoires correspondants. En recherchant vos pièces, vous aurez toujours des pièces adaptées pour votre Kymco New Dink 4 temps gris foncé.


