Dessins techniques pour Kymco New Sento 4 temps or
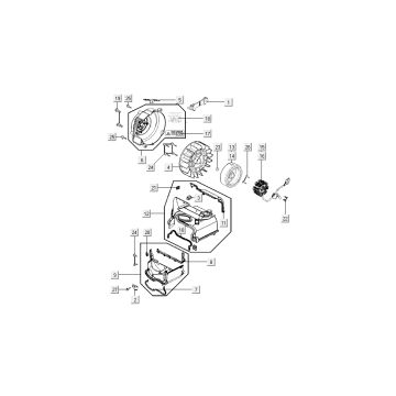
Cliquez ici sur les dessins techniques ou en vue éclatée du Kymco New Sento 4-temps gold pour lequel vous recherchez des pièces ou des accessoires. Les dessins techniques du Kymco New Sento 4 temps gold vous donnent un aperçu clair des différentes pièces et accessoires correspondants. En recherchant vos pièces, vous aurez toujours des pièces adaptées pour votre Kymco New Sento 4 temps gold.


