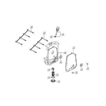
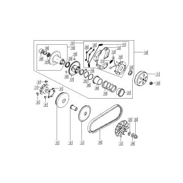
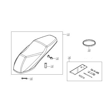
Dessins techniques pour Kymco People S 4 temps bleu cristal
Cliquez ici sur les dessins techniques ou en vue éclatée du Kymco People S 4 temps crystal blue pour lequel vous recherchez des pièces ou des accessoires. Les dessins techniques du Kymco People S 4 temps bleu cristal vous donnent un aperçu clair des différentes pièces et accessoires correspondants. En recherchant vos pièces, vous aurez toujours des pièces adaptées à votre Kymco People S 4 temps crystal blue.


