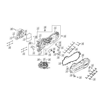
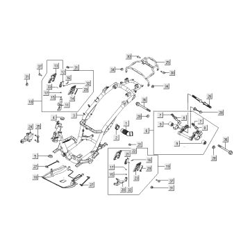
Dessins techniques pour Kymco People S 4 temps Elegance marron
Cliquez ici sur les dessins techniques ou en vue éclatée du Kymco People S 4 temps Elegance marron pour lequel vous recherchez des pièces ou des accessoires. Les dessins techniques du Kymco People S 4 temps Elegance brown vous donnent un aperçu clair des différentes pièces de montage et accessoires. En recherchant vos pièces, vous aurez toujours des pièces adaptées à votre Kymco People S 4 temps Elegance marron.


