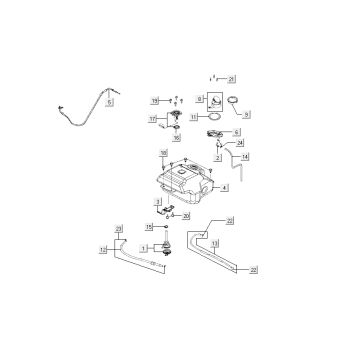
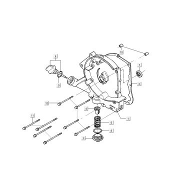
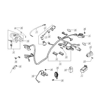
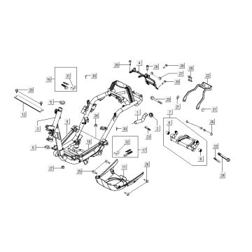
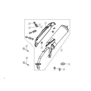
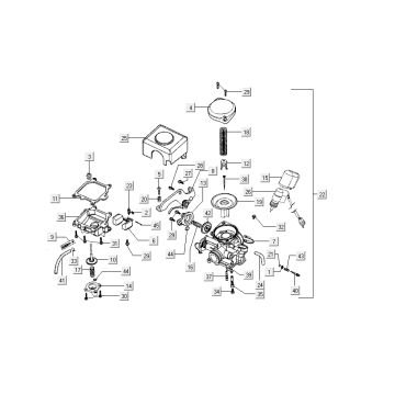
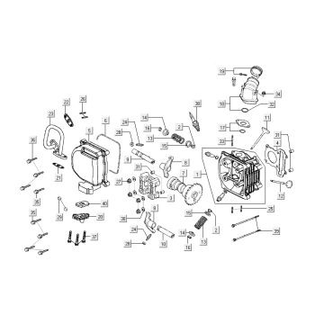
Dessins techniques pour Kymco Sento 4 temps Black
Cliquez ici sur les dessins techniques ou en vue éclatée du Kymco Sento 4 temps Black pour lequel vous recherchez des pièces ou des accessoires. Les dessins techniques du Kymco Sento 4 temps Black vous donnent un aperçu clair des différentes pièces et accessoires correspondants. En recherchant vos pièces, vous aurez toujours des pièces adaptées pour votre Kymco Sento 4 temps Black.


