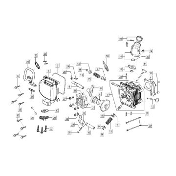
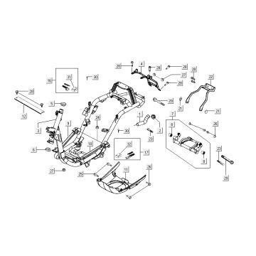
Dessins techniques pour Kymco Sento 4 temps rose
Cliquez ici sur les dessins techniques ou en vue éclatée du Kymco Sento 4 temps rose pour lequel vous recherchez des pièces ou des accessoires. Les dessins techniques du Kymco Sento 4 temps rose vous donnent un aperçu clair des différentes pièces et accessoires correspondants. En recherchant vos pièces, vous aurez toujours des pièces adaptées à votre Kymco Sento 4 temps rose.


