Dessins techniques de Kymco Super9 2t lc om noir mat-argent
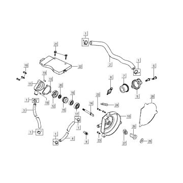
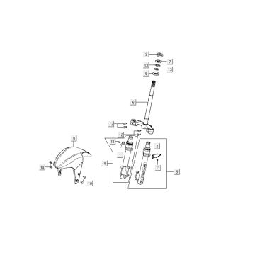
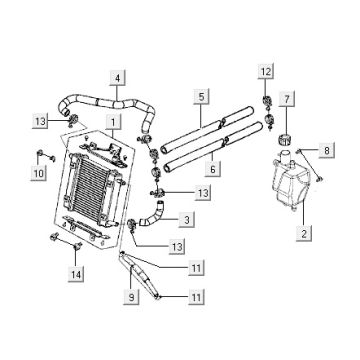
Cliquez ici sur les dessins techniques ou en vue éclatée du Kymco Super9 2t lc o.m noir mat-argent pour lequel vous recherchez des pièces ou des accessoires. Les dessins techniques du Kymco Super9 2t lc o.m noir mat/argent vous donnent un aperçu clair des différentes pièces et accessoires correspondants. En recherchant vos pièces, vous aurez toujours des pièces adaptées pour votre Kymco Super9 2t lc, entre autres, noir mat/argent.


