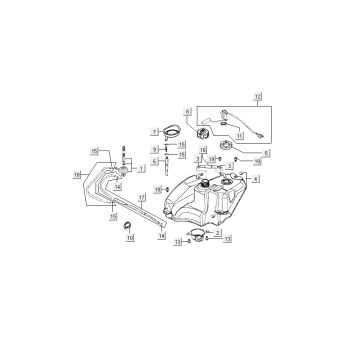
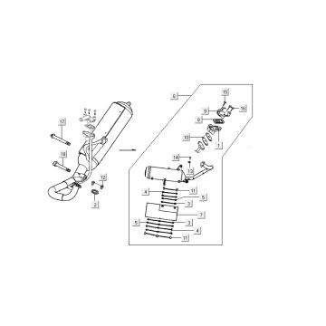
Dessins techniques pour Kymco Super9 LC 2 temps nouveau modèle noir mat-argent
Cliquez ici sur les dessins techniques ou en vue éclatée du nouveau modèle Kymco Super9 LC 2 temps noir mat/argent pour lequel vous recherchez des pièces ou des accessoires. Les dessins techniques du nouveau modèle Kymco Super9 LC 2 temps noir mat argent vous donnent un aperçu clair des différentes pièces de montage et accessoires. En recherchant vos pièces, vous aurez toujours des pièces adaptées pour votre Kymco Super9 LC 2 temps nouveau modèle noir mat-argent.


