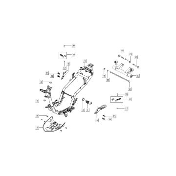
Dessins techniques du Kymco Super8 4 temps à partir de 2009 noir mat
Cliquez ici sur les dessins techniques ou en vue éclatée du Kymco Super8 4 temps à partir de 2009 noir mat pour lequel vous recherchez des pièces ou des accessoires. Les dessins techniques du Kymco Super8 4 temps à partir de 2009 noir mat vous donnent un aperçu clair des différentes pièces et accessoires correspondants. En recherchant vos pièces, vous aurez toujours des pièces adaptées pour votre Kymco Super8 4 temps à partir de 2009 noir mat.


