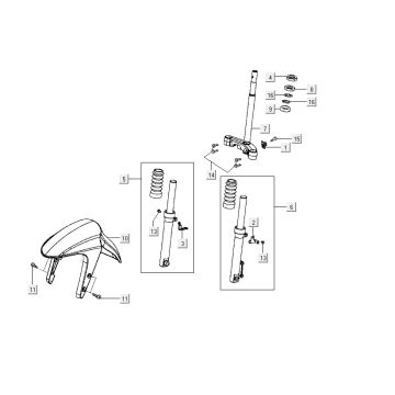
Dessins techniques pour Kymco Vitality 2 temps bleu
Cliquez ici sur les dessins techniques ou en vue éclatée du Kymco Vitality 2 temps bleu pour lequel vous recherchez des pièces ou des accessoires. Les dessins techniques du Kymco Vitality 2 temps bleu vous donnent un aperçu clair des différentes pièces et accessoires correspondants. En recherchant vos pièces, vous aurez toujours des pièces adaptées à votre Kymco Vitality 2 temps bleu.


