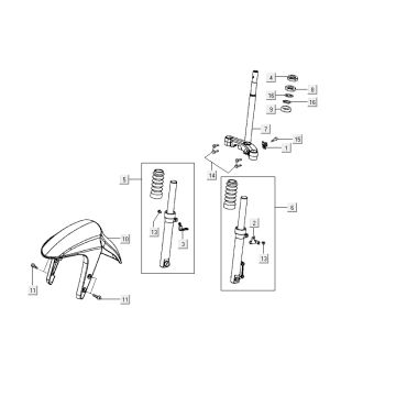
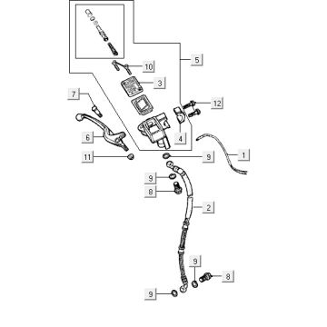
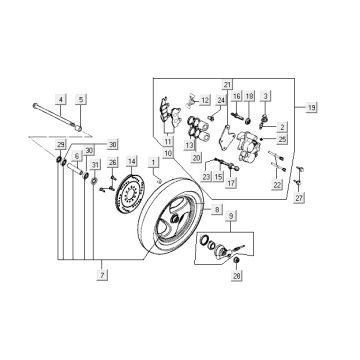
Dessins techniques du flux sportif 2 temps Kymco Vitality
Cliquez ici sur les dessins techniques ou sur la vue éclatée du flux sportif 2 temps Kymco Vitality pour lequel vous recherchez des pièces ou des accessoires. Les dessins techniques du flux sportif 2 temps Kymco Vitality vous donnent un aperçu clair des différentes pièces et accessoires correspondants. En recherchant vos pièces, vous aurez toujours des pièces adaptées à votre flux sportif Kymco Vitality 2 temps.


