Dessins techniques pour Luuko Roman vert mat
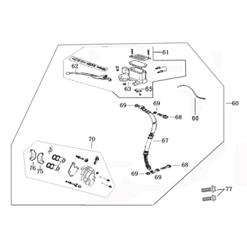
Cliquez ici sur les dessins techniques ou en vue éclatée du scooter Luuko Roman vert mat pour lequel vous recherchez des pièces ou des accessoires. Les dessins techniques du Luuko Roman vert mat vous donnent un aperçu clair des différentes pièces et accessoires correspondants. En recherchant vos pièces, vous aurez toujours des pièces adaptées à votre Luuko Roman vert mat.


