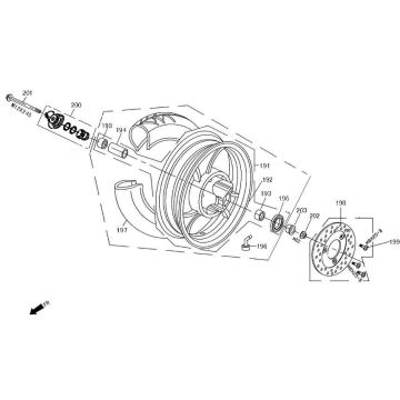
Dessins techniques de la crème mate Neco Borsalino Oro
Cliquez ici sur les dessins techniques ou en vue éclatée du scooter Neco Borsalino Oro mat creme pour lequel vous recherchez des pièces ou des accessoires. Les dessins techniques de la crème mat Neco Borsalino Oro vous donnent un aperçu clair des différentes pièces et accessoires correspondants. En recherchant vos pièces, vous aurez toujours des pièces adaptées à votre crème mat Neco Borsalino Oro.


