Pièces et accessoires pour Neco Borsalino
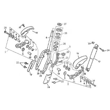
Cliquez ici sur la version correcte du Neco Borsalino pour laquelle vous recherchez des pièces ou des accessoires. Les dessins techniques du Neco Borsalino vous donnent un aperçu clair des différentes pièces de fixation et accessoires. Bien entendu, les pièces d'origine Neco s'adaptent le mieux.


