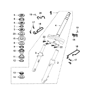
Pièces et accessoires pour Peugeot Kisbee RS blanc
Cliquez ici sur la version correcte du scooter blanc Peugeot Kisbee RS pour lequel vous recherchez des pièces ou des accessoires. Les dessins techniques de la Peugeot Kisbee RS white vous donnent un aperçu clair des différentes pièces de fixation et accessoires. Bien entendu, les pièces blanches d'origine Peugeot Kisbee RS conviennent le mieux.


