Pièces et accessoires pour Peugeot V-clic Black
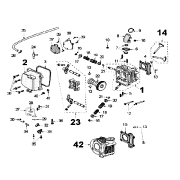
Cliquez ici sur la version correcte du scooter Peugeot V-clic Black pour lequel vous recherchez des pièces ou des accessoires. Les dessins techniques de la Peugeot V-clic Black vous donnent un aperçu clair des différentes pièces de fixation et accessoires. Les pièces d'origine Peugeot V-clic Black sont bien entendu les mieux adaptées.


