Dessins techniques Piaggio Fly 2-temps rouge 894
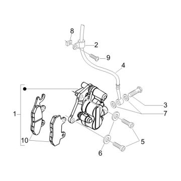
Cliquez ici sur les dessins techniques ou en vue éclatée du scooter Piaggio Fly 2 temps 894 rouge pour lequel vous recherchez des pièces ou des accessoires. Les dessins techniques du Piaggio Fly 2 temps rouge 894 vous donnent un aperçu clair des différentes pièces et accessoires correspondants. En recherchant vos pièces, vous aurez toujours des pièces adaptées pour votre Piaggio Fly 2 temps rouge 894.
À propos du Piaggio Fly
Le Piaggio FLY est probablement le scooter le plus vendu en Europe. La fiabilité et les très bonnes performances de conduite dues à son empattement long rendent la FLY très populaire. Le PIAGGIO FLY a été lancé en 2005, en tant que grand frère du PIAGGIO ZIP. Le Fly est spacieux et convient parfaitement pour deux personnes. Surtout en combinaison avec un moteur à quatre temps Piaggio très économique et silencieux. Les pare-chocs latéraux spéciaux garantissent une limitation des dommages en cas de chute éventuelle. Cette trottinette pratique a été un succès commercial pour Piaggio/Vespa depuis le début.


