Dessins techniques Piaggio Zip 2000 4 temps AC bleu minuit 222
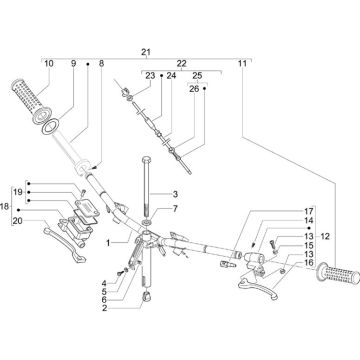
Cliquez ici sur les dessins techniques ou en vue éclatée du scooter Piaggio Zip 2000 4 temps AC blue midnight 222 pour lequel vous recherchez des pièces ou des accessoires. Les dessins techniques du Piaggio Zip 2000 4 temps AC blue midnight 222 vous donnent un aperçu clair des différentes pièces et accessoires correspondants. En recherchant vos pièces, vous aurez toujours des pièces adaptées à votre Piaggio Zip 2000 4 temps AC blue midnight 222.
Pièces pour votre Piaggio Zip 2000 4 temps via dessin technique
La trottinette Piaggio Zip 4 temps est la trottinette la plus vendue. Le Zip 4 temps partage son moteur avec la Vespa LX 4 temps. Ce bloc moteur est le bloc le plus produit de Piaggop/Vespa. Il est extrêmement économique, fiable et silencieux. Le Piaggio Zip est compact, mais toujours en position assise assez spacieuse. Le Zip 4 temps n'est qu'un gagnant ! L'entretien de votre Piaggio Zip 2000 4 temps est bien entendu très important. Mais comment recherchez-vous vos pièces ? Choisissez d'abord votre type ci-dessus, puis votre modèle, puis voyez le dessin dont vous pensez avoir besoin. Si vous recherchez vos pièces et accessoires à travers ces dessins techniques, vous avez toujours la garantie d'avoir des pièces adaptées à votre Zip à deux temps !
Des questions ?
Si vous ne le savez pas via les dessins techniques, nous pouvons toujours vous aider par téléphone ou par e-mail.


