Dessins techniques pour Pronto Rimini black
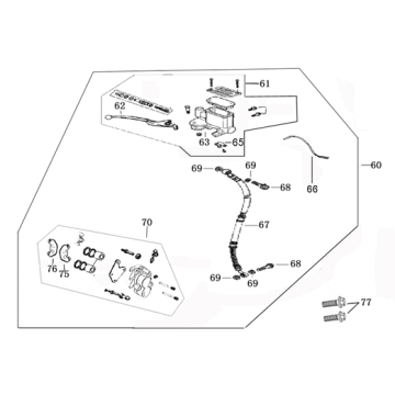
Cliquez ici sur les dessins techniques ou en vue éclatée du scooter noir Pronto Rimini pour lequel vous recherchez des pièces ou des accessoires. Les dessins techniques du Pronto Rimini black vous donnent un aperçu clair des différentes pièces et accessoires correspondants. En recherchant vos pièces, vous aurez toujours des pièces adaptées à votre Pronto Rimini black.
La trottinette Pronto Rimini
Le Rimini fonctionne à l'essence sans plomb et est économique et silencieux. Le Rimini est également adapté pour deux personnes et le Pronto offre relativement d'espace pour les jambes. Le Pronto Rimini est un véritable sosie de Vespa. Le compartiment à bagages sous le siège de copain est grand. Le moteur 4 temps GY-6 assure une bonne force de traction. Le Pronto Rimini est un modèle de scooter classique.
Pièces et couleurs
Le type Rimini est disponible en plusieurs couleurs. Des couleurs qui nous sont familières :
Pièces de rechange pour Pronto Rimini
Ci-dessus, vous pouvez voir les modèles du type Rimini dont nous avons des dessins techniques. Choisissez d'abord votre modèle, puis voyez le dessin dont vous pensez avoir besoin. Si vous recherchez des pièces de cette manière, vous avez toujours la garantie d'avoir des pièces et des accessoires adaptés à votre Pronto Rimini. Pour l'entretien de votre Pronto Rimini, il est très important que vous utilisiez des pièces bien ajustées, ce qui évite une usure inutile et peut entraîner de nombreux coûts inutiles.


