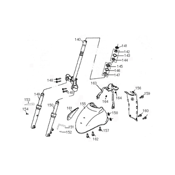
Dessins techniques pour Pronto San Remo bleu
Cliquez ici sur les dessins techniques ou en vue éclatée du scooter bleu Pronto San Remo pour lequel vous recherchez des pièces ou des accessoires. Les dessins techniques du Pronto San Remo blue vous donnent un aperçu clair des différentes pièces de fixation et accessoires. En recherchant vos pièces, vous aurez toujours des pièces adaptées à votre Pronto San Remo blue.
Les couleurs du San Remo.
Le San Remo est disponible dans les couleurs suivantes :
- bleu
- noir
- Anthracite mat
- crème
- Marron métallique
- fumée
Veuillez noter que, par exemple, les couleurs des bouchons peuvent varier au minimum.
Accessoires et pièces via les dessins.
Si vous commandez des pièces via les dessins, cela présente de nombreux avantages. Vous pouvez ainsi trouver facilement et rapidement les pièces que vous recherchez. En outre, les dessins vous permettent également d'avoir une meilleure idée de la façon dont votre scooter est et est construit. Vous avez également l'avantage que l'ajustement des pièces et accessoires des dessins est toujours de 100 % et que, comme l'ajustement est de 100 %, vous réduisez au maximum les risques d'usure.


